요약
1. 창의 형태에 따라 산정방식이 다르므로 아래 그림 참조하여 산정
https://studio-oim.tistory.com/882
배연창 or 배연설비 설치 기준
배연창 or 배연설비 설치 기준 요약 1. 용도 a) 의료시설 중 요양병원 및 정신병원 b) 노유자시설 중 노인요양시설ㆍ장애인 거주시설 및 장애인 의료재활시설 c) 제1종 근린생활시설 중 산후조리원
studio-oim.tistory.com
https://studio-oim.tistory.com/903
배연창 유효면적의 최소면적 기준
배연창 유효면적의 최소면적 기준 요약 1. 배연창 1개의 크기가 1㎡ 이상일 필요 없음 2. 기준에 의해 산정된 면적의 합계가 1㎡ 이상이면 됨 ex) 0.6 + 0.6 = 1.2 ≥ 1.0(법규 기준) 한국건설기술연구원
studio-oim.tistory.com
https://studio-oim.tistory.com/932
배연설비 or 배연창을 설치 해야 하는 건축물의 면적 기준
배연설비 or 배연창을 설치 해야 하는 건축물의 면적 기준 요약 1. 연면적이 1,000㎡미만 규정은 방화구획에 대한 규정 2. 따라서, 배연설비 or 배연창은 면적이 아닌 용도와 층수 기준으로 설치함 3
studio-oim.tistory.com
[시행 2021. 8. 27.] [국토교통부령 제882호, 2021. 8. 27., 타법개정]
제14조(배연설비) ①법 제49조제2항에 따라 배연설비를 설치하여야 하는 건축물에는 다음 각 호의 기준에 적합하게 배연설비를 설치해야 한다. 다만, 피난층인 경우에는 그렇지 않다. <개정 1996. 2. 9.,1999. 5. 11., 2002. 8. 31., 2009. 12. 31., 2010. 11. 5., 2017. 12. 4., 2020. 4. 9.>
1. 영 제46조제1항에 따라 건축물이 방화구획으로 구획된 경우에는 그 구획마다 1개소 이상의 배연창을 설치하되, 배연창의 상변과 천장 또는 반자로부터 수직거리가 0.9미터 이내일 것. 다만, 반자높이가 바닥으로부터 3미터 이상인 경우에는 배연창의 하변이 바닥으로부터 2.1미터 이상의 위치에 놓이도록 설치하여야 한다.
2. 배연창의 유효면적은 별표 2의 산정기준에 의하여 산정된 면적이 1제곱미터 이상으로서 그 면적의 합계가 당해 건축물의 바닥면적(영 제46조제1항 또는 제3항의 규정에 의하여 방화구획이 설치된 경우에는 그 구획된 부분의 바닥면적을 말한다)의 100분의 1이상일 것. 이 경우 바닥면적의 산정에 있어서 거실바닥면적의 20분의 1 이상으로 환기창을 설치한 거실의 면적은 이에 산입하지 아니한다.
3. 배연구는 연기감지기 또는 열감지기에 의하여 자동으로 열 수 있는 구조로 하되, 손으로도 열고 닫을 수 있도록 할 것
4. 배연구는 예비전원에 의하여 열 수 있도록 할 것
5. 기계식 배연설비를 하는 경우에는 제1호 내지 제4호의 규정에 불구하고 소방관계법령의 규정에 적합하도록 할 것
②특별피난계단 및 영 제90조제3항의 규정에 의한 비상용승강기의 승강장에 설치하는 배연설비의 구조는 다음 각호의 기준에 적합하여야 한다. <개정 1996. 2. 9., 1999. 5. 11.>
1. 배연구 및 배연풍도는 불연재료로 하고, 화재가 발생한 경우 원활하게 배연시킬 수 있는 규모로서 외기 또는 평상시에 사용하지 아니하는 굴뚝에 연결할 것
2. 배연구에 설치하는 수동개방장치 또는 자동개방장치(열감지기 또는 연기감지기에 의한 것을 말한다)는 손으로도 열고 닫을 수 있도록 할 것
3. 배연구는 평상시에는 닫힌 상태를 유지하고, 연 경우에는 배연에 의한 기류로 인하여 닫히지 아니하도록 할 것
4. 배연구가 외기에 접하지 아니하는 경우에는 배연기를 설치할 것
5. 배연기는 배연구의 열림에 따라 자동적으로 작동하고, 충분한 공기배출 또는 가압능력이 있을 것
6. 배연기에는 예비전원을 설치할 것
7. 공기유입방식을 급기가압방식 또는 급ㆍ배기방식으로 하는 경우에는 제1호 내지 제6호의 규정에 불구하고 소방관계법령의 규정에 적합하게 할 것
배연창의 유효면적 산정기준(제14조제1항제2호관련)
1. 미서기창 : H×ℓ

ℓ : 미서기 창의 유효폭
H : 창의 유효 높이
W : 창문의 폭
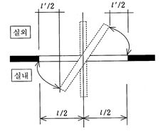
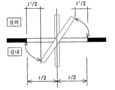
2. Pivot 종축창 : H×ℓ'/2×2

H : 창의 유효 높이
ℓ : 90° 회전시 창호와 직각방향으로 개방된 수평거리
ℓ' : 90° 미만 0° 초과시 창호와 직각방향으로 개방된 수평거리
3. Pivot 횡축창:(W×ℓ1)+(W×ℓ2)

W : 창의 폭
ℓ1 : 실내측으로 열린 상부창호의 길이방향으로 평행하게 개방된 순거리
ℓ2 : 실외측으로 열린 하부창호로서 창틀과 평행하게 개방된 수수평투영거리
4. 들창 : W×ℓ2

W : 창의 폭
ℓ2: 창틀과 평행하게 개방된 순수수평투명면적
5. 미들창 : 창이 실외측으로 열리는 경우:W×ℓ
창이 실내측으로 열리는 경우:W×ℓ1
(단, 창이 천장(반자)에 근접하는 경우:W×ℓ2)

W : 창의 폭
ℓ : 실외측으로 열린 상부창호의 길이방향으로 평행하게 개방된 순거리
ℓ1 : 실내측으로 열린 상호창호의 길이방향으로 개방된 순거리
ℓ2 : 창틀과 평행하게 개방된 순수수평투영면적
* 창이 천장(또는 반자)에 근접된 경우
창의 상단에서 천장면까지의 거리≤ℓ1
| 건축물의 설계 및 감리대상 (0) | 2023.07.27 |
|---|---|
| 가설건축물 축조 허가 또는 신고 대상_서울시 (0) | 2023.07.26 |
| 교통유발부담금 부과대상 및 면제 기준 (1) | 2023.07.13 |
| 지목변경 절차 및 필요서류 (0) | 2023.06.29 |
| 용도변경허가 체크리스트_서초구 (0) | 2023.06.12 |